|
Flyback 高輸入電壓應用
|
Posted by
Romeo
on February. 12, 2023
| |
高壓輸入應用
本篇主要討論在超過720V高電壓輸入下,如何用一個簡單的方式來實現Flyback工作電壓的提升,分為幾個部分
1) 用於高壓輸入應用的兩種方法
| Single switch flyback |
StackFET flyback (cascode mosfet flyback) |
|
|
| 最直接就是把主開關換成高耐壓的功率開關,成本相當昂貴。 |
StackFET 上疊開關的配置,提供了一種低成本的高壓輸入替代方案。 |
本篇就進一步了解StackFET(或稱cascode MOSFET),如何在高壓轉換器中工作
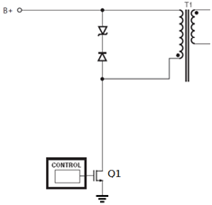
2) 基本線路
3) 電路說明
PI內部即成MOSFET的inno/TNY/TOP/Link Switch都可以在 StackFET 架構(TI 命名為cascode MOSFET)中進行使用,以便能夠在高達 720 V 甚至更高的直流母線上運行。我們在本報告中以PI的 TOP Switch ,同樣適用於其他系列。
電阻串 R24 - R26執行初始開啟 MOSFET Q1 的功能,允許柵極電壓建立並受 VR2 - VR3 限制。 一旦開關開始,這個電阻鏈將是冗餘的,但會為齊納二極體 VR1 提供偏置電流,因此會在電路中產生一些功率損耗。 因此,為了減少損耗,該鏈的總阻抗保持較高。
TVS 齊納二極體 (VR2 - VR3) 在電路中執行雙重功能 – 它將 TOP Switch 兩端的電壓限制在 550 V 以下,並且為 Q1開通和關閉期間提供柵極電流(來自存儲在其接面電容上的電荷)。 電阻器 R12 限制柵極充電電流,同時用來減少寄生環路電感引起的ring,抑制高頻振蕩。
TOP Switch通過源極耦合驅動來打開和關閉 Q1(即 Q1 的源極將被拉低或拉高,導致柵極 - 源極電壓分別循環為高準位或低準位)。 如前所述,VR2 - VR3 將提供柵極電流,而 VR1 用來箝位柵極電壓在一安全值。 TOP Switch和 500 V 額定 MOSFET 的組合足以應付 720 V 的母線電壓電壓,在這種情況下,TOP Switch的漏極被 VR2 - VR3 安全箝位在 450 V左右,而其餘部分的關斷電壓以及電壓尖峰部分就跨在Q1,一般振幅小於 250 V。
當 MOSFET 關斷時,變壓器的漏感會在漏極節點上感應出電壓尖峰。該尖峰的幅度會受到由 D2、C4、R2、R11 和 R28 組成的 RCD 箝位網絡的限制。
對於頂部開關Cg的足夠的能量
當底部 FET 導通時,C5 中的能量轉移到頂部 MOSFET 的柵源電容 Cg,並導致頂部 Cg 上的電壓升高。
為了導通頂部 FET,需要將 VR1 的箝位電壓設置為高於頂部 MOSFET 的柵源驅動電壓門檻 (VGS(th))。
重要的是 Cg 中有足夠的能量,以便在底部 MOSFET 導通後的整個導通狀態期間能保持頂部 MOSFET 導通。
也就是說,C5不能太小。 有時,TVS 二極體 (VR2+VR3) 的寄生電容可能不夠用,需要在 TVS 二極體上並聯一個外部電容。
如前所述,VR2 - VR3 提供了柵極電流,以及如何為柵極驅動器選擇額外的電容。
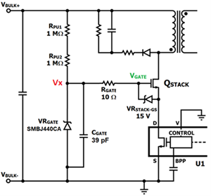
4) 上疊開關的選擇及設計
1.TVS總VBR值需低於80% MOSFET耐壓額定值
     - 確保TVS VBR(MAX) 小於80%的主開關耐壓,以獲得足夠設計餘量。以SMBJ440CA為例
     - (543 V / 725 V) x 100 = 75 %
2.上疊開關StackFET電壓額定80%做使用
     - 確保TVS VR 小於80%上疊開關耐壓
     - (700 V - 440 V) / 0.8 = 325 V
     - 實際TVS箝位電壓,在TVS 電流 > IR 時,箝位在 VBR 和 VR 之間
3. 選擇低導通阻抗RDS(ON),一般2 ohm或更低,導通損耗低於1%總輸出功率的開關。
4. 選擇低CISS,一般1200 pF或更低。
5. 選擇低COSS,一般50 pF或更低。
6. 選擇低Qg,一般13 nC或更低。
7. 如果需要,可額外添加 CGATE 以確保提供足夠的柵極電荷以驅動StackFET 柵極上
主開關在開啟時,該電荷從電容器中取出並轉移到上疊MOSFET 輸入電容。
雖然在大多數情況下不知道實際的柵極電流幅度,但可以根據開關柵極電荷值確定附加電容器上的電壓紋波。
當然總柵極電荷 Qg越低越有利於驅動開通跟關閉
     - 我們要確保 StackFET 能夠在驅動器功耗低的情況下輕鬆開啟
     - 驅動器電荷必需大於開關柵極電荷,就可以完全開啟 StackFET CGS
     - QDRIVE >= Qg
     - 柵極電荷要滿足讓 VGS 增加到超過(米勒)平台電壓時所需電荷
     - 額外的電容 CGATE
TVS 二極體 VRGATE上的電壓VX,決定了 CGATE 和 TVS 接面電容上所儲存的電荷 (QDRIVE)
CGATE(total) = CGATE + CJ(TVS)
QDRIVE = CGATE(total) x VX
要注意的是,當輸入電壓最高的情況下,TVS的接面電容會最小,所以外加電容容值會以這個條件去決定。
8.柵極到源的齊納箝位需大於米勒平台電壓以上做選擇,一般選擇(VRSTACK-GS) 在10 V 到 16 V之間
     - 選擇標準VGS(TH)電壓門檻的上疊開關
9.在輸入電壓最大值下,設定TVS上提電阻RPU流過電流接近200 μA
     - 一般TVS箝位電壓最小值下VBR(min),大約需要200 μA 電流
|
|